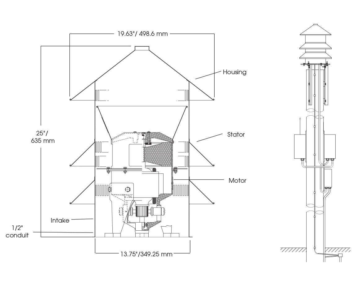
Federal Signal’s Model 2 siren is the most commonly used siren for the fire station and industrial plant alerting. The siren is an outdoor warning siren providing Omni-directional coverage capable of producing intense warning signals over a large area. The siren is typically installed on a roof or on a standard utility pole.
The Model 2 is a mechanical single tone siren capable of producing 102 dBc @ 100’ while making only moderate power source demands. It can serve as an outdoor plant-wide warning system where volume is needed to contrast with high ambient industrial sounds.
| Manufacturer: | Federal Signal |
| Collection | 2019 |
| Model: | Model 2 |
| Country of origin: | United States |
| Features | High Efficiency Design Requires only Moderate Power, Small Compact Design, Powder Coating for Long Life, Roof Mount Standard & Pole Mount Optional, Pole Mount with PMS Kit |
| Height | 65cm |
| Net Weight | 27Kg |
| Shipping Weight | 36Kg |
| Voltage | 120VAC/DC, 240VAC/DC |